Table of Contents
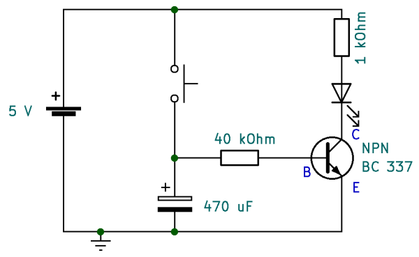
Nachtlicht
Drückt man den Taster, so geht die LED ein. Lässt man ihn los, so bleibt die LED noch einige Sekunden lang hell, dann geht sie von selbst aus.
Erklärung
- Beim Drücken des Tasters überschreitet die Basisspannung des Transistors 0,7 V, daher schaltet der Transistor durch.
- Gleichzeitig wird der Kondensator geladen.
- Lässt man den Taster los, so entlädt sich der Kondensator über den $40\,\mathrm{k\Omega}$-Widerstand und die B-E-Strecke des Kondensators. Der Transistor bleibt durchgeschalten und die LED leuchtet weiterhin.
- Ist der Kondensator so weit entleert, dass die Spannung an der Basis des Transistors unter 0,7 V fällt, so sperrt der Transistor und die LED erlischt.
Aufgabe
- Schließe ein Voltmeter an den Kondensator an und beobachte damit, wie er sich langsam entlädt!
Wie lange dauert es mindestens, bis die LED ausgeht?
Der Kondensator wird über den $40\,\mathrm{k\Omega}$-Widerstand und den Transistor entladen. Angenommen, die B-E-Strecke des Transistors habe den Widerstand $0\,\mathrm \Omega$ (was unrealistisch ist…), dann hat die Spannung am Kondensator folgenden zeitlichen Verlauf (siehe hier): $$U(t) = U_0 \cdot e^{\frac{-t}{R\cdot C}}=5\,\mathrm V \cdot e^{\frac{-t}{40\,\mathrm{k\Omega}\cdot 470\mathrm{uF}}} = 5\,\mathrm V \cdot e^{\frac{-t}{18,8\mathrm s}}$$ $$\Rightarrow t = -18,8\,\mathrm s \cdot ln \frac{U(t)}{5\,\mathrm V}$$ Der Transistor hört auf, durchzuschalten, wenn die B-E-Spannung kleiner als 0.7 V ist. Zu diesem Zeitpunkt ist die Stromstärke schon sehr gering, so dass wir den Spannungsabfall am $40\,\mathrm{k\Omega}$-Widerstand vernachlässigen können und annehmen, dass die kompletten 0,7 V am Kondensator anliegen. Wir erhalten damit $$\Rightarrow t = -18,8\,\mathrm s \cdot ln\frac{0,7\,\mathrm V}{5\,\mathrm V}\approx 20,8\,\mathrm s$$
In Wirklichkeit ist der Widerstand der B-E-Strecke des Transistors nicht zu vernachlässigen, so dass das Entladen des Kondensators deutlich länger dauert als die berechnete Zeit.
