User Tools

Site Tools


transistor:lichtschranke:start

This is an old revision of the document!


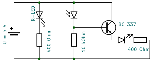
Infrarot-Lichtschranke

Wenn Du wissen möchtest, ob die IR-LED wirklich leuchtet, dann schau' sie Dir durch die Kamera Deines Smartphones an! Sie ist auch im nahen IR-Bereich noch empfindlich und zeigt das IR-Licht in weißer Farbe auf dem Bildschirm an.

Erkläre, wie die Schaltung funktioniert!

transistor/lichtschranke/start.1664719686.txt.gz · Last modified: by martin