transistor:lichtschranke:start
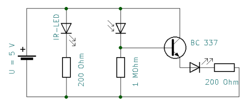
Infrarot-Lichtschranke
Wenn Du wissen möchtest, ob die IR-LED wirklich leuchtet, dann schau' sie Dir durch die Kamera Deines Smartphones an! Sie ist auch im nahen IR-Bereich noch empfindlich und zeigt das IR-Licht in weißer Farbe auf dem Bildschirm an.
- Warum hat die IR-Photodiode einen dunklen Überzug?
- Erkläre, wie die Schaltung funktioniert!
transistor/lichtschranke/start.txt · Last modified: by martin


