opamp:amplifier
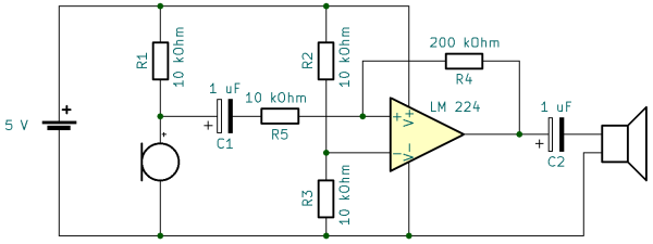
Verwendung eines Operationsverstärkers als Mikrophon-Vorverstärker
Erklärung der Funktionsweise
- Der Widerstand $R_1$ sorgt für eine Vorspannung des Elektret-Mikrophons.
- Die Widerstände $R_2$ und $R_3$ bilden einen Spannungsteiler, der den invertierenden Eingang des Operationsverstärkers auf 2,5 V bringen.
- Der Operationsverstärker sorgt jetzt dafür, dass auch der nicht-invertierende Eingang auf 2,5 V liegt.
- Liegt daher rechts von $R_5$ die Spannung $\mathrm{2,5\,V} + \Delta U$ an, so fällt an $R_5$ die Spannung $\Delta U$ ab und hat damit eine Stromstärke $I_5 = \frac{\Delta U}{R_5}$ zur Folge.
- Da in die Eingänge des Operationsverstärkers praktisch kein Strom fließt, muss $I_5$ komplett über $R_4$ abfließen. An diesem fällt daher die Spannung $U_4 = -R_4 \cdot I_5 = -\Delta U \cdot \frac {R_4}{R_5}$ ab.
- Die Amplitude, um die die Spannung vor $R_5$ um 2,5 V schwankt, wird also um den Faktor $-\frac {R_4}{R_5} = -20$ verstärkt.
- Damit es zu einer um 2,5 V schwankenden Amplitude vor $R_5$ kommt, entkoppelt der Kondensator $C_1$ die Mikrophonspannung.
- Der Ton aus dem Lautsprecher ist bei der obigen Schaltung sehr leise, da sie die sehr kleine Spannung des Mikrophons nur vorverstärkt. Für einen richtigen Verstärker bräuchte man noch eine zweite Verstärkungsstufe hintendran.
- Die Qualität des Tons ist nicht sehr gut, weil
- unsere Spannungsquelle recht verrauscht ist,
- der Operationsverstärker LM 224 nicht rauscharm ist und
- gute Vorverstärkerschaltungen zudem mehrere zusätzliche Kondensatoren zur Signalglättung besitzen.
opamp/amplifier.txt · Last modified: by martin

