grundwissen:ui
This is an old revision of the document!
Table of Contents
Spannung, Stromstärke, Widerstand
Einführung
Ich habe leider bisher keine wirklich guten Videos zur Erklärung von Spannung, Stromstärke und Widerstand im Netz gefunden. Hier die beiden besten, die mir begegnet sind:
- Die Stromquelle in der Schaltung rechts “drückt” Elektronen aus dem Minuspol in den Stromkreis und zieht sie in den Pluspol hinein. Die Spannung ist ein Maß für die Stärke des “Druckgefälles” zwischen den beiden Polen. Sie wird in der Einheit Volt (V) gemessen.
- Die Spannung bewirkt, dass Elektronen sich vom Minuspol ausgehend durch den Stromkreis zum Pluspol bewegen. Je höher die Spannung der Stromquelle, desto mehr Elektronen fließen je Zeiteinheit durch den Stromkreis. Ein Maß dafür ist die Stromstärke. Sie wird in der Einheit Ampére (A) gemessen. Ein Ampere bedeutet, dass 1 Coulomb an Ladung je Sekunde fließt, das entspricht $6,24\cdot 10^{18}$ Elektronen je Sekunde.
- Die in der Schaltung verbauten Bauteile setzen dem Elektronenfluss einen Widerstand entgegen, der bewirkt, dass der Stromfluss begrenzt wird. Man definiert als Widerstand eines Bauteils, wie viel Volt an Spannung man daran je erwünschter Stromstärke in Ampére anlegen muss:
$$R = \frac{U}{I}$$
- Widerstand wird in er Einheit Ohm gemessen: $1\Omega = \frac{1 V}{1 A}$
- Diese Gleichung nennt man Ohmsches Gesetz. Bauteile, für die der Widerstand bei “jeder” Spannung konstant ist, nennt man **ohmsche Widerstände“. Natürlich gibt es solche Bauteile nicht, aber die Widerstände mit Farbringen entsprechen diesem Anspruch in einem recht weiten Spannungsbereich recht gut.
- Je mehr Spannung an einem Bauteil gerade anliegt und je höher die Stromstärke ist, die durch dieses Bauteil gerade fließt, desto größer ist die elektrische Leistung, die als Licht (z.B. bei LEDs), mechanische Energie (z.B. bei Elektromotoren), Schallenergie (z.B. bei Lautsprechern) oder Wärme (das ist meist der größte Anteil!) frei wird. Es gilt:
$$P = U\cdot I$$
- Die Einheit Volt wurde geschickterweise so definiert, dass $1 V\cdot 1 A = 1 W$
(siehe hier, Abschnitt “Derived Units”).
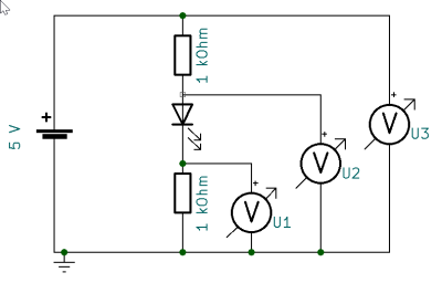
Versuch 1
grundwissen/ui.1661409764.txt.gz · Last modified: by martin



