grundwissen:loesung1:start
This is an old revision of the document!
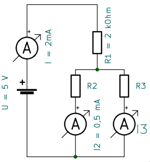
Lösung von Aufgabe 1
Wir berechnen zunächst die fehlende Stromstärke $I_3$:
$$I_3 = I - I_2 = 2 mA - 0,5 mA = 1,5 mA$$
Durch den Widerstand $R_1 = 2 k\Omega$ fließt die Stromstärke $I = 2 mA$. Wir können daher die an ihm abfallende Spannung $U_1$ berechnen:
$$R_1 = \frac{U_1}{I} \Rightarrow U_1 = R_1\cdot I = 2 k\Omega * 2 mA = 4 \Omega A = 4 V$$
Die an den Widerständen $R_2$ und $R_3$ anliegende Spannung $U_2 = U_3$ ist
$$U_2 = U_3 = U - U_1 = 5 V - 4 V = 1 V$$
Damit können wir $R_2$ und $R_3$ berechnen:
$$R_2 = \frac{U_2}{I_2} = \frac{1 V}{0,5 mA} = 2 k\Omega$$
$$R_3 = \frac{U_3}{I_3} = \frac{1 V}{1,5 mA} \approx 666 Omega$$
grundwissen/loesung1/start.1661412648.txt.gz · Last modified: by martin
