grundwissen:kirchhoff
Table of Contents
Kirchhoffsche Gesetze
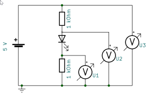
Versuch 1
a) Schalte mehrere Widerstände oder Leuchtdioden in Reihe und miss jeweils die Spannungen an den einzelnen Bauteilen sowie die vom Minuspol (“Ground”) ausgehenden Spannungen wie rechts dargestellt. Was fällt Dir auf?
b) Schalte mehrere Widerstände (keine LED ohne Vorwiderstand!) parallel und miss jeweils die Stromstärken $I_1, I_2, ...$ in den einzelnen Zweigen des Stromkreises sowie die gesamte Stromstärke $I$. Was fällt Dir auf?
- Bei einer Reihenschaltung addieren sich die Spannungen der hintereinandergeschalteten Bauteile.
Es gilt: $U = U_1 + U_2$
Durch jedes Bauteil fließt dieselbe Stromstärke $I$.
- Bei einer Parallelschaltung teilt sich die Gesamtstromstärke $I$ auf in die Stromstärken der einzelnen Verzweigungen.
Es gilt: $I = I_1 + I_2$.
An jedem Bauteil liegt dieselbe Spannung an.
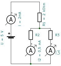
Aufgabe 1
Berechne die Widerstände $R_1$, $R_2$ und $R_3$ sowie die Stromstärke $I_2$ in der nebenstehenden Schaltung! Baue die Schaltung auf und miss nach!
Hier geht's zur Lösung!
grundwissen/kirchhoff.txt · Last modified: by martin
