fivefivefive:clock:start
This is an old revision of the document!
Taktgeber
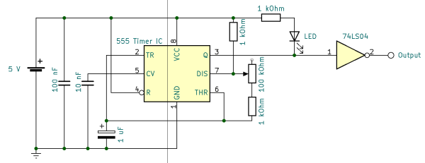
Wir werden in den folgenden Kapiteln immer wieder eine Schaltung benötigen, die Rechteck-Pulse generiert. Dazu verwenden wir das von Ben Eater vorgeschlagene Design.
fivefivefive/clock/start.1667482615.txt.gz · Last modified: by martin

