Table of Contents
JK-Flipflop 74HCT107
Einführung
Schau Dir zuerst das folgende Video an, insbesondere den letzten Abschnitt über JK-Flipflops:
Baue die folgende Schaltung und teste damit die verschiedenen Funktionen des JK-Flipflops, insbesondere auch den Toggle-Modus (J und K auf HIGH, dann mehrfache HIGH-LOW-Übergänge der Clock).
4 Bit Schieberegister (Shift Register)
Ein Schieberegister kannst Du bauen, indem Du mehrere Flipflops hintereinander schaltest und jeweils die Ausgänge des vorhergehenden Flipflops mit den Eingängen des nachfolgenden Flipflops verbindest. Die Flipflops werden beim Schieberegister synchron getaktet, d.h. alle Clock-Eingänge sind verbunden.
Baue die folgende Schaltung auf und mache Dich mit der Funktionsweise des Schieberegisters vertraut!
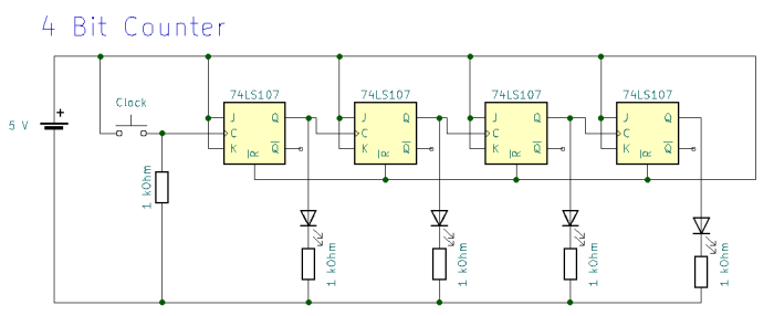
4 Bit Counter
Setzt man die Eingänge J und K des JK-Flipflops beide auf HIGH, so bewirkt jeder Übergang des Clock-Eingangs von HIGH auf LOW, dass der aktuelle Wert der Ausgänge invertiert wird (“toggle mode” des JK-Flipflops). Wir können diese Eigenschaft nutzen, indem wir mehrere Flipflops hintereinander schalten und jeweils den Q-Ausgang des vorhergehenden Flipflops mit dem Clock-Input des nachfolgenden Flipflops verbinden.
Hier ein gutes Video von Ben Eater, in dem er die Funktionsweise erklärt:
Baue die folgende Schaltung auf und mache Dich mit der Funktionsweise des Counters vertraut!


